- НаличиеВ наличии
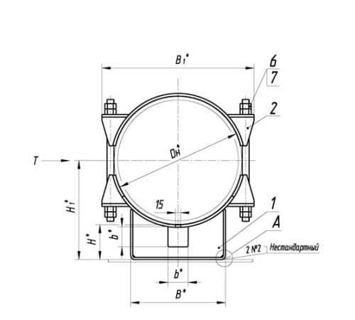
Опоры ТПР.05.15(1).00.000 предназначены для надежной фиксации и поддержки трубопроводов в системах теплоснабжения, нефте- и газопроводов. Они воспринимают вертикальные нагрузки и обеспечивают стабильность конструкции, компенсируя температурные расширения.
Изделия доступны для труб различного наружного диаметра (Dн): от 377 мм до 1420 мм. Масса опор варьируется от 42,5 кг до 439,4 кг, что позволяет подобрать оптимальное решение для любого проекта. Производится широкий диапазон марок для точного соответствия техническим требованиям.
Опоры изготавливаются из высокопрочной стали, что гарантирует долговечность, устойчивость к коррозии и значительным механическим нагрузкам. Все изделия соответствуют строгим отраслевым стандартам качества.
Для юридических лиц доступен безналичный расчет. Оформите онлайн-заказ или запросите коммерческое предложение на нужную марку и типоразмер. Осуществляем оперативную доставку по всей Беларуси.
Нет отзывов об этом товаре.
Пока нет вопросов об этом товаре. Станьте первым!
